Солид, решетчатый настил, 1
Солид, решетчатый настил, 2

Производство и продажа решетчатого
настила в Санкт-Петербурге и по России

Ваш город:
Солид, решетчатый настил, 3 Солид, решетчатый настил, 4 Солид, решетчатый настил, 5
Ваш город:

8 800 777-48-01
+7 (812) 336 90 90
+7 (812) 336 09 90

Прием заявок

ПН-ПТ • 09:00 - 17:00
(по московскому времени)

8 800 777-48-01
+7 (812) 336 90 90

196655, Санкт-Петербург г, Колпино г, Труда ул, дом № 2 на 196650, г.Санкт-Петербург, Колпино, ул Финляндская, д.24 лит.Б, пом 107 рабочий стол

ПН-ПТ • 09:00 - 17:00
(по московскому времени)

Напишите нам! Прием заявок

Главная » Каталог продукции » Перфорированные листы » Профили для обрамления перфорированных листов

Профили для обрамления перфорированных листов

Гифка
Профили для обрамления перфорированных листов

Материалы: холоднокатанная, оцинкованная, нержавеющая сталь, алюминий.

Просмотреть рис. 148 Просмотреть рис. 149 Просмотреть рис. 150 Просмотреть рис. 151
LR 10 -1,5
Толщина стенки 1 мм
LR 18 -1,7
Толщина стенки 1,25 мм
LT 20х20 -1,7
Толщина стенки 1,25 мм
U-Profil 1,3
Толщина стенки 1,25 мм
Просмотреть рис. 152 Просмотреть рис. 153 Просмотреть рис. 154
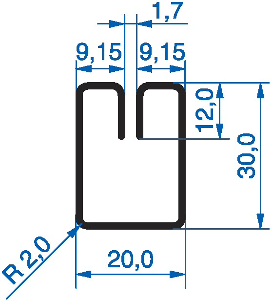
LЕ 20х30 -1,7
Толщина стенки 1,5 мм
LR 27 -1,7
Толщина стенки 1,5 мм
LD 30х22 -1,7
Толщина стенки 1,5 мм

Остались вопросы?

Тема сообщения: *
Ваше имя: *
Ваш телефон: *
Ваш E-mail: *
Сообщение: *
Я даю согласие на обработку своих персональных данных*